Niby zwykły kawałek blachy w zbiorniku pod kratką ociekacza a o ile może ułatwić życie. Kiedyś gdy zbiornik był pełen lub kiedy wykonywałem backflush w momencie wyłączenia przycisku robienia kawy kuchnia była zachlapana. Często bywało to irytujące gdy zgromadzone ciśnienie wylatywało przez rurkę do zbiornika tak silnie że ze zbiornika chlapało mi na kuchenny blat. Blachę nabyłem przypadkiem wraz z Old Gaggia Coffee którą dostałem w prezencie od znajomego i na początku wydawało mi się że dostałem ją omyłkowo i nie jest ona związana z tym ekspresem. Dobrze ze jej wtedy nie wyrzuciłem, bo nadal zmagał bym się z problemem ochlapanego blatu przez ekspres.
![]() |
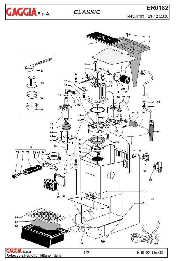
| Gaggia Parts Diagram |
Blacha ma numer 59 i jest widoczna na tym diagramie: http://www.mrbean2cup.co.uk/download-document/er0182gaggiaclassic-rev05
Bardzo możliwe iż nie tylko ja zakupiłem ekspres bez tej blachy. Blacha jest wykonana z stali nierdzewnej i ma wymiary 169mm długości, 99.6mm szerokości i około 37mm długość ścięcia oraz grubość około 1.5mm.
Dzięki ścięciom woda swobodnie spływa do zbiornika a rurka odpływowa zaworu trójdrożnego jest usytuowana tuż nad jednym z nich, więc w niczym ona nie przeszkadza a wręcz zabezpiecza nas przed zbędnymi rozbryzgami ze zbiornika. Nie mam pojęcia czemu inni nie używają tej blaszki, na wielu zdjęciach widać ekspresy już bez niej. Mnie tam ona przypadła do gustu i ciesze się że przypadkiem ją dostałem. Nie jest to nic skomplikowanego i w bardzo prosty sposób możemy wykonać ją samemu lub zamówić w jakimś warsztacie ślusarskim czy innym zajmującym się obróbka metalu. Taką prostą blaszkę powinni wykonać nam od ręki na miejscu, oczywiście musimy pamiętać iż blaszka musi być wykonana z materiału nierdzewnego aby nam nie zardzewiała pod wpływem gorącej wody. Można ją też zamówić w firmach zajmujących się cięciem stali laserem lub wodą.
Keep calm and make coffee





Brak komentarzy:
Prześlij komentarz